|
Bild 195.
Infanterie-Mine 1941 mit elektrischer Zündung. |
|

|
|
Verlegung
der Sätze erfolgt schachbrettartig mit 10–15 cm Zwischenraum und
Abstand.
|
|
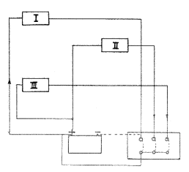
Zündung. Die Minen sind durch Leitungen mit
einem Schaltbrett verbunden, von dem aus sie durch Tasten nacheinander zum
Zerknall gebracht werden. Für jeden Satz sind 3 Tastschaltungen
vorgesehen. Das Schaltbrett kann bis zu 10 Sätzen verlängert werden. |
|
Bild 196.
Schaltskizze zur Infanterie-Mine 1941. |
|

|
|
Die Leitungen werden
zunächst zusammen in kleinen Gräben verlegt, dann so getrennt, daß
durch die Sprengung der einen Mine die Leitungen zu den anderen Minen
nicht in Mit-leidenschaft gezogen werden.
|
|
Bild 197.
Schaltskizze zur Infanterie-Mine 1941. |
|

|
|
Batterie und
Schaltanlage können bis zu 3 km hinter den
Minensätzen liegen. |
|
Die Mine besteht gewöhnlich aus 4 Teilen Sprengmunition, zu je 400 g
zusammengebun-den. Große: 10 X 5 X 5 cm. Die Oberseite hat 2 Öffnungen
für die Glühzünder. |
|
Bild 198.
Infanterie-Mine 1941. |
|

|
|
Der Sprengstoff heißt
Tol und ist eine Zusammenstellung aus Toluol, Salpetersäure,
Schwefelsäure und Paraffin (6%). Das Mischungsverhältnis ist nicht
bekannt. Tol ist fet-tig, bruchfest, nicht biegsam und hart wie Kreide.
|
|
Anwendung: Beim Herannahmen der ersten Welle angreifender Infanterie in
das minenver-seuchte Gelände werden die Minen Nr. 1 der eingegrabenen
Sätze zum Zerknall gebracht. Sind die Sprengtrichter durch die folgende
Welle des Angreifers besetzt worden, werden die Minen Nr. 2 gezündet.
Bei Besetzung der neu entstandenen Sprengtrichter durch nachfolgende
Infanteriewellen erfolgt der Zerknall der Minen Nr. 3. Nachfolgende Wellen
des Angreifers geraten vorstoßend in die schachbrettartig angelegten
Reihen weiterer Minensätze, deren Minen Nr. 1–3 in gleicher Weise
zerknallen. |
| Minen mit
elektrischer Reihenzündung gegen Infanterie oder Panzer. |
|
Die Minen sind schachbrettartig verlegt. Die einzelnen
Reihen in sich und durch getrennte Kabel mit der Auslösestelle verbunden.
Sprengung erfolgt reihenweise. Batterie mit Schaltanlage kann bis zu 3 km
hinter der 3. Reihe liegen.
|
|
Sprengstoffart: Tol. |
|
Bild 199.
Mine mit elektrischer Reihenzündung. |
|

|
|
Bei Anwendung gegen
Panzer werden stärkere Teilpackungen zusammengebündelt.
|
|
Die angreifenden Panzer sollen durch die entstandenen Sprengtrichter
bewegungsunfähig bzw. aufgehalten werden. |
     |