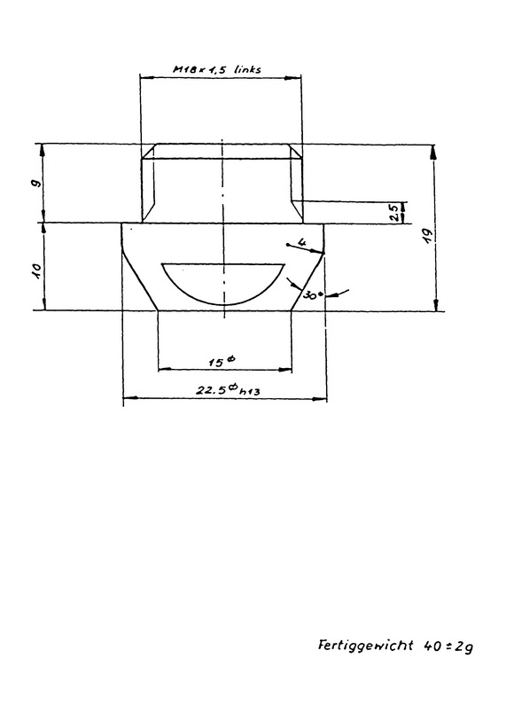
3 cm Bd.Z. Ersatzstück L'spurInnenzünder 1595
Handbuch der Flugzeug Bordwaffenmunition
Teil 13 - Zünder

E'stelle
Rechlin E 6

3 cm Bd.Z. Ersatzstück

Fl.-Bordwaffen
Munition

113-1593

Ausgabe:

 

Z

93

5.43

 

3 cm Bd.Z. Ersatzstück L'spurInnenzünder 1595